Оплачивайте покупку по частям
Всё просто
Получайте заказы сразу, а платите за них постепенно.
-
25%
Платёж сегодня
-
25%
Через 2 недели
-
25%
Через 4 недели
-
25%
Через 6 недель
-
25%
Платёж сегодня
-
25%
Через 2 недели
-
25%
Через 4 недели
-
25%
Через 6 недель
-
25%
Платёж сегодня
-
25%
Через 2 недели
-
25%
Через 4 недели
-
25%
Через 6 недель
- Покупка уже ваша
- Выбирайте любые понравившиеся товары, сборка заказа начнётся сразу после оформления и оплаты первых 25% стоимости. 4 небольших платежа
- Плати частями – просто ещё один способ оплаты: сервис автоматически будет списывать по 1/4 от стоимости покупки каждые 2 недели.
- Нужно просто ввести ФИО, дату рождения, номер телефона и данные банковской карты.
- Соберите корзину.
- В способе оплаты нужно выбрать «Оплата частями».
- Спишем первый платёж и отправим вам заказ. Остальное — точно по графику.
Описание
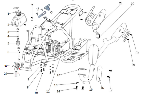
№ п/п | Код МОТАХ | Наименование МОТАХ |
J-1 | 00-00011600 | Шланг вентиляции топливного бака φ5×φ8×240mm геккон бензин |
J-2 | 00-00010897 | Бак топливный Х16 минигризлик с пробкой |
J-3 | 00-00011754 | Хомут топливного шланга φ10 миникросс бензин |
00-00011752 | Хомут топливного шланга φ8 миникросс бензин | |
J-4 | 00-00010898 | Шланг топливный до фильтра φ6*φ10*80mm /GEKKON 110/GRIZLIK MINI |
J-5 | 00-00010899 | Фильтр топливный 2Т, Минигрызлик |
J-6 | 00-00011602 | Шланг топливный φ5×φ8×150mm /GEKKON 110/GRIZLIK MINI |
J-28 | 00-00011749 | Кран топливный механический миникросс бензин, геккон бензин |
J-29 | 00-00011602 | Шланг топливный φ5×φ8×150mm /GEKKON 110/GRIZLIK MINI |
J-11 | ![]() | |
J-12 | 00-00010901 | Прокладка приемной трубы 2Т 50сс |
J-15 | 00-00011741 | Труба выхлопная двойная с ручным запуском (включая вспомогательную трубу и пластину против ожогов в |
J-16 | ![]() | |
J-17 | ||
J-20 | ||
J-21 | ||
J-19 | 00-00011816 | Лист-хвост с защитой от ожогов минигризлик бензин |
J-25 | 00-00010226 | Кронштейн топливного бака X16 2021 1 |
J-26 | 00-00010227 | Кронштейн топливного бака X16 2021 2 |
J-7 | 00-00012089 | Болт шестигранный M6×12 |
J-8 | 00-00012219 | Шайба Φ6*16*1.5 |
J-9 | 00-00012222 | Шайба пружинна гровер Φ6 |
J-10 | 00-00012080 | Болт с внутренним шестигранником M6*16 |
J-13 | 00-00012222 | Шайба пружинна гровер Φ6 |
J-14 | 00-00012086 | Болт шестигранный M6*20 |
J-18 | 00-00012227 | Шестигранник с маленькой плоской головкой M6*8 |
J-22 | 00-00012087 | Болт шестигранный M6*25 |
J-23 | 00-00012219 | Шайба Φ6*16*1.5 |
J-24 | ||
J-27 | 00-00012091 | Болт шестигранный M6X12 |
Отзывы
Отзывов еще никто не оставлял
Описание
Отзывы
Описание
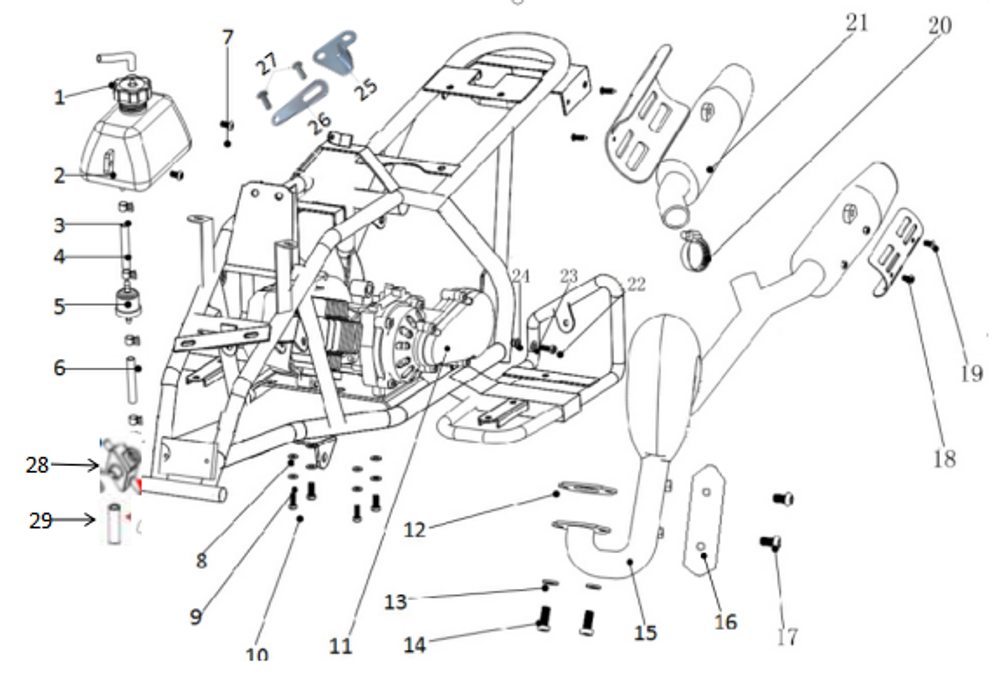
№ п/п | Код МОТАХ | Наименование МОТАХ |
J-1 | 00-00011600 | Шланг вентиляции топливного бака φ5×φ8×240mm геккон бензин |
J-2 | 00-00010897 | Бак топливный Х16 минигризлик с пробкой |
J-3 | 00-00011754 | Хомут топливного шланга φ10 миникросс бензин |
00-00011752 | Хомут топливного шланга φ8 миникросс бензин | |
J-4 | 00-00010898 | Шланг топливный до фильтра φ6*φ10*80mm /GEKKON 110/GRIZLIK MINI |
J-5 | 00-00010899 | Фильтр топливный 2Т, Минигрызлик |
J-6 | 00-00011602 | Шланг топливный φ5×φ8×150mm /GEKKON 110/GRIZLIK MINI |
J-28 | 00-00011749 | Кран топливный механический миникросс бензин, геккон бензин |
J-29 | 00-00011602 | Шланг топливный φ5×φ8×150mm /GEKKON 110/GRIZLIK MINI |
J-11 | ![]() | |
J-12 | 00-00010901 | Прокладка приемной трубы 2Т 50сс |
J-15 | 00-00011741 | Труба выхлопная двойная с ручным запуском (включая вспомогательную трубу и пластину против ожогов в |
J-16 | ![]() | |
J-17 | ||
J-20 | ||
J-21 | ||
J-19 | 00-00011816 | Лист-хвост с защитой от ожогов минигризлик бензин |
J-25 | 00-00010226 | Кронштейн топливного бака X16 2021 1 |
J-26 | 00-00010227 | Кронштейн топливного бака X16 2021 2 |
J-7 | 00-00012089 | Болт шестигранный M6×12 |
J-8 | 00-00012219 | Шайба Φ6*16*1.5 |
J-9 | 00-00012222 | Шайба пружинна гровер Φ6 |
J-10 | 00-00012080 | Болт с внутренним шестигранником M6*16 |
J-13 | 00-00012222 | Шайба пружинна гровер Φ6 |
J-14 | 00-00012086 | Болт шестигранный M6*20 |
J-18 | 00-00012227 | Шестигранник с маленькой плоской головкой M6*8 |
J-22 | 00-00012087 | Болт шестигранный M6*25 |
J-23 | 00-00012219 | Шайба Φ6*16*1.5 |
J-24 | ||
J-27 | 00-00012091 | Болт шестигранный M6X12 |
Отзывы
Отзывов еще никто не оставлял
Ранее просмотренные